细节再现和与石膏的配伍性试验
【产品简介】执行标准:
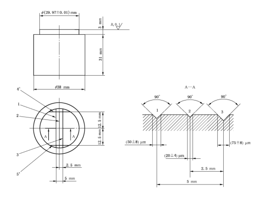
YY/T 0493-2022--图 A.12 细节再现和与石膏的配
- 产品型号
- CW-Z595
- 产品品牌
- 诚卫
7*24小时免费咨询热线
13310112765
电话:13671892469
电话:13310112765
QQ:692427669
公司地址:上海市松江区洞业路999号
配伍性试验块、细节再现和与石膏的配伍性试验块
执行标准:
YY/T 0493-2022--图 A.12 细节再现和与石膏的配伍性试验块--配伍性试验块
模具用途
验证印模材料在接触石膏时是否会发生不良反应或表面缺陷,从而影响模型精度。
技术参数:
材质:不锈钢
计时器:0-999/s自行设置精度±1/s
选配:声清洗,机恒温水浴,烘箱,显微镜

配置清单
模具一套,合格证一份,铭牌一份。
